Isolatore
Fascia di prezzo: da €1 a €6
Isolatore elettrico
Oggetto materiale simbolo, insieme alla lampadina, della rivoluzione industriale, del balzo TECNOLOGICO avvenuto a partire dal XVIII secolo che nello stesso tempo ha anche inaugurato un’epoca di alterazione climitica influenzata dagli umani.
Invenzioni fondamentali, scoperte epocali negli anni ottanta dell’Ottocento, hanno creato il mondo moderno seguendo due direzioni: la prima è quella delle onde elettriche e elettromagnetiche, la seconda è quella del motore a combustione.
L’elettrificazione di città e campagne, insieme ai nuovi mezzi di trasporto e comunicazione, ha accompagnato l’uscita dall’isolamento e il profondo miglioramento delle condizioni materiali di vita della gente avvenuti nel volgere di pochi decenni nel XX secolo in Europa e Stati Uniti a cui è seguito a pelle di leopardo quello restante del globo.
Livello EFFICACIA artistica proposto: 1 - MINIMO (valore documentale e storico)
Supporto: CERAMICA
Territorio di origine: Italia
Anno: 1948
Epoca/Stile/Periodo: Moderna e Contemporanea
Focus: Dalla candela alla lampadina, da isolatore a FERMACARTE.
TRADIZIONE/INNOVAZIONE: ○○○○●
FUNZIONALITÀ OPERATIVA: ▶︎▶︎
IN-SOSTENIBILITÀ: ♣︎♣︎
Esperienze di efficacia: Un oggetto da toccare
Dati tecnici e CONSIDERAZIONI:
Isolatore elettrico 1948 in ceramica utilizzato nelle linee elettriche sospese.
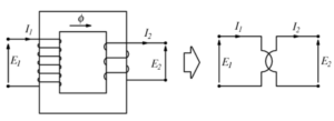
Altro dispositivo semplice che sta alla base della civiltà moderna, e che non si fa notare, è il TRASFORMATORE (vedi caricatori di cellulari e &)

SCHEMA DI TRASFORMATORE
Funzione principale:

2 recensioni per Isolatore
Devi effettuare l’accesso per pubblicare una recensione.























ig –
Storico
ig –
Oggetto simbolo dell’elettrificazione, cioè dell’arrivo dell’energia elettrica nelle case, nella città e nelle campagne.